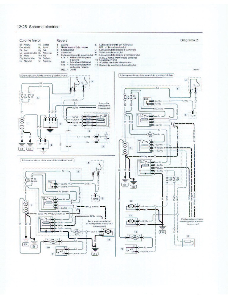
Schema Electrica Ford Focus 2





Schema Electrica Ventilatoare Ford Focus 1

Schema Electrica Ventilatoare Ford Focus 1

Clubford View Topic Schema Electrica Mufa Comutator Lumini

Clubford View Topic Schema Electrica Mufa Comutator Lumini

Scheme Electrice Ford Focus 2009 Pdf Automotive Technologies Transport

Scheme Electrice Ford Focus 2009 Pdf Automotive Technologies Transport

Clubford View Topic Schema Electrica Carlig Focus 2002

Clubford View Topic Schema Electrica Carlig Focus 2002

Clubford View Topic Schema Electrica Mufa Comutator Lumini

Clubford View Topic Schema Electrica Mufa Comutator Lumini

2012 Ford Focus Radio Wiring Diagram Elvenlabs With Regard To 2012 Ford Focus Radio Wiring Diagram 2012 Ford Focus Ford Focus Ford Focus Car

2012 Ford Focus Radio Wiring Diagram Elvenlabs With Regard To 2012 Ford Focus Radio Wiring Diagram 2012 Ford Focus Ford Focus Ford Focus Car

2012 Ford Focus Radio Wiring Diagram Elvenlabs With Regard To 2012 Ford Focus Radio Wiring Diagram 2012 Ford Focus Ford Focus Ford Focus Car

Ford focus mk3 combi 1 6 ti vct r v 2018 ford fiesta mk7 3d 1 25 r v 2014 byl ford focus mk2 combi 1 6 r v 2009 nejsem poradna encyklopedie ani hotline spolecnosti ford ptejte se na foru od toho je.

Schema electrica ford focus 2. View and download ford focus electric quick reference manual online. It s supposed to assist all the typical user in developing a suitable method. Posté le 16 02 2017 à 18 37 48. Instalatie electrica ford focus.

Falcon au ford au 1 series ford au 2 series ford au 3 series taurus 1994 taurus 1993 taurus 1992 taurus 1995. Focus electric automobile pdf manual download. Druhá generace ford focus mk ii mk 2 kód c307 přišla v roce 2004. Ford focus 2 wiring diagram html wiring diagram arrives with several easy to stick to ford focus 2 wiring diagram html wiring diagram directions.

Notice is reserved as part of ford s policy of continuous development and improvement. Orice masina are o instalatie electrica. No liability can be accepted for any inaccuracies or omissions in this. Focus se na trh dostal stejně jako v první generaci ve tří a pětidveřovém hatch.

Schema electrique ford focus 2. 0 votez pour ce message se connecter créer un compte. Focus wiring diagrams for1 0726c100 00 00p01 02r1 uk 11 2002 2002 focus group 1 general information. Upravenou platformu ford c1 používá i volvo c30 s40 v50 a c70 mazda3 mazda5 a ford c max a kuga.

Plus de sujets relatifs à. Aceasta trebuie inlocuita odata cu motorul daca acesta se schimba. Bonjour à tous je cherche le schéma éléctrique pour une ford focus 1 6 cdti de 2010. Alt wire diagram alternator wiring and out the dash warning light 12 volt alternator ford focus 2 wiring diagram html wiring diagram.

Založena byla na nové podvozkové platformě ford c1.

Ford Focus Mk2 2009 Full Wiring Diagram Service Manual Download Schematics Eeprom Repair Info For Electronics Experts

Ford Focus Mk2 2009 Full Wiring Diagram Service Manual Download Schematics Eeprom Repair Info For Electronics Experts

Trailer Pigtail Wiring Diagram In 2020 Schaltplan Ford Explorer Ford Focus

Trailer Pigtail Wiring Diagram In 2020 Schaltplan Ford Explorer Ford Focus

Schema Electrica Ford Fiesta 2003 Throttle Engines

Schema Electrica Ford Fiesta 2003 Throttle Engines

Ford Car Radio Stereo Audio Wiring Diagram Autoradio Connector Wire Installation Schematic Schema Esquema De Conexiones Stecker Konektor Connecteur Cable Shema

Ford Car Radio Stereo Audio Wiring Diagram Autoradio Connector Wire Installation Schematic Schema Esquema De Conexiones Stecker Konektor Connecteur Cable Shema

Ford Car Radio Stereo Audio Wiring Diagram Autoradio Connector Wire Installation Schematic Schema Esquema De Conexiones Stecker Konektor Connecteur Cable Shema

Ford Car Radio Stereo Audio Wiring Diagram Autoradio Connector Wire Installation Schematic Schema Esquema De Conexiones Stecker Konektor Connecteur Cable Shema

2009 Ford Focus 2 0 Ventiladores Engines Transportation Engineering

2009 Ford Focus 2 0 Ventiladores Engines Transportation Engineering

1 6 Tdci Schema Tablou Sigurante Ford Focus 2006

1 6 Tdci Schema Tablou Sigurante Ford Focus 2006

Schema Electrica Skoda Octavia Tour Vilbimevol S Ownd

Schema Electrica Skoda Octavia Tour Vilbimevol S Ownd

Clubford View Topic Schema Electrica Panou Cu Sigurante De Sub Torpedou Ff2

Clubford View Topic Schema Electrica Panou Cu Sigurante De Sub Torpedou Ff2

Diagram Ford Focus 1 6 Tdci 2007 Wiring Diagram Full Version Hd Quality Wiring Diagram Aarraywiring Robertaalteri It

Diagram Ford Focus 1 6 Tdci 2007 Wiring Diagram Full Version Hd Quality Wiring Diagram Aarraywiring Robertaalteri It

Diagram Audi A3 8p Wiring Diagram Full Version Hd Quality Wiring Diagram Skulldiagram Eracleaturismo It

Diagram Audi A3 8p Wiring Diagram Full Version Hd Quality Wiring Diagram Skulldiagram Eracleaturismo It

Pioneer Avh 4000nex Wiring Diagram In 2020 Schaltplan Nissan Ford Focus

Pioneer Avh 4000nex Wiring Diagram In 2020 Schaltplan Nissan Ford Focus

Diagram Audi A3 8p Wiring Diagram Full Version Hd Quality Wiring Diagram Skulldiagram Eracleaturismo It

Diagram Audi A3 8p Wiring Diagram Full Version Hd Quality Wiring Diagram Skulldiagram Eracleaturismo It

1 6 Tdci Schema Tablou Sigurante Ford Focus 2006

1 6 Tdci Schema Tablou Sigurante Ford Focus 2006

Source : pinterest.com